STM32/STM32L475VGT6
B-L475E-IOT01A
rorosi
2022. 2. 15. 12:22
728x90
Discovery kit
NUCLEO보다는 마이너하지만 그래도 많많찮은 저렴한 가격과 종류를 가지고 있다. 주로 녹색 PCB로 생산되며 NUCLEO와는 다르게 디버거 파트를 따로 잘라내기 힘들다. 다만 ST-LINK/DISCOVERY 변환 점퍼와 핀헤더는 NUCLEO와 동일하게 유지되고 있어서 ST-LINK로도 활용할 수 있다.
NUCLEO는 보드 내장 주변장치가 상대적으로 빈약하여 사용자의 디바이스 추가 연결에 의존하는 비율이 높은데 비해 DISCOVERY 계열은 주변장치가 좀 더 많이 포함되고 별도 인터페이스 규격의 도터보드 형태로 확장할 수 있는 경우가 많다. 대신에 가격대도 NUCLEO보드들 보다 높은 편에 속한다.
마이크로컨트롤러 기능
- STM32L475VGT6 in LQFP100 package
- ARM®32-bit Cortex®-M4 CPU with FPU
- Adaptive real-time accelerator (ART Accelerator™) allowing 0-wait state execution from Flash memory
- 80 MHz max CPU frequency
- 1.71V ~ 3.6V의 VDD
- 1 MB Flash
- 128KB SRAM
- True random generator (TRNG for HW entropy)
- Quad SPI 메모리 인터페이스(1)
- 타이머 범용 (7)
- 타이머 고급 제어 (2)
- 타이머 기본 (2)
- 타이머 저전력 (2)
- 시스틱
- 워치독 (2)
- SPI (3)
- I2C (3)
- USART (6)
- USB OTG
- 캔 (1)
- 사이 (2)
- SDMC
- SWMI
- 외부 인터럽트 기능이 있는 GPIO(82)
- 16개 채널의 12비트 ADC(3)
- 2채널의 12비트 DAC
- Ultra LP comparator(2)
- Opamp(2)
기능
- 64Mbit Quad-SPI(Macronix) Flash memory
- Bluetooth® V4.1 module (SPBTLE-RF)
- Sub-GHz (868 or 915 MHz) low-power-programmable RF module (SPSGRF-868 or SPSGRF-915)
- Wi-Fi® 모듈 Inventek ISM43362-M3G-L44(802.11 b/g/n 호환)
- Dynamic NFC tag based on M24SR with its printed NFC antenna
- 2 digital omnidirectional microphones (MP34DT01)
- Capacitive digital sensor for relative humidity and temperature (HTS221)
- High-performance 3-axis magnetometer (LIS3MDL)
- 3D accelerometer and 3D gyroscope (LSM6DSL)
- 260-1260 hPa absolute digital output barometer (LPS22HB)
- Time-of-Flight and gesture-detection sensor (VL53L0X)
- 2 push-buttons (user and reset)
- Micro-AB 커넥터가 있는 USB OTG FS
- 확장 커넥터:
- 아두이노™ 우노 V3
- PMOD
- Flexible power-supply options: ST LINK USB VBUS or external sources
- On-board ST-LINK/V2-1 debugger/programmer with USB re-enumeration capability: mass storage, virtual COM port and debug port
보드 핀아웃



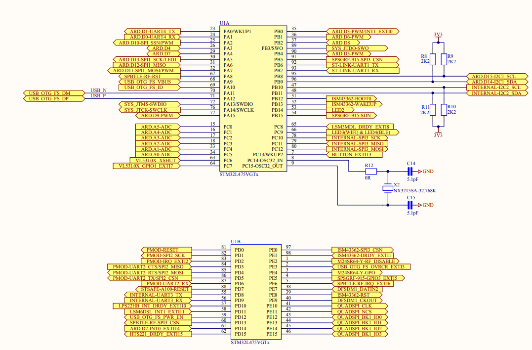
회로도

데이터시트
728x90